
1、概述
GE21采用特珠形状的转子和绕线线圈,参照线性可变差动变压器(LVDT)进行非接触设计,与传统的电位器角位移测量相比,不使用诸如滑环,叶片,接触式游标,电刷等易磨损的活动部件,有较高的可靠性。
GE21的设计满足GJB2349要求。转子转轴围绕出厂预置的零位移动±40°运动产生线性输出信号,线性误差不大于0.8% 。因为转子的非接触式电磁耦合设计,使产品具有趋于无限小的分辨率。
2、用途
适用于传动装置的角度测量。
3、技术参数
n 输入电源:(7Vrms@1800Hz)±1% 。
n 消耗功耗:不大于0.43W 。
n 机械角度:±180°。
n 线性范围:±40°。
n 非线性度:不大于0.8% F·S 。
n 和值误差:(5.8±0.5)Vrms 。
n 零位电压:不大于10 mVrms 。
n 电压梯度:88mV/度。
n 满位电压:(3.52±0.04)Vrms 。
n 频响:6Hz 。
n 摩擦力矩:不大于5gNaN 。
n 重量:不大于60g 。
n 相位:从后端尾轴方向看,以零位为起始点,顺时针旋转V蓝1-蓝2与V红-白同相。
n 工作温度: -55℃~+150℃。
n 执行标准:参照GJB 2349-1995 。
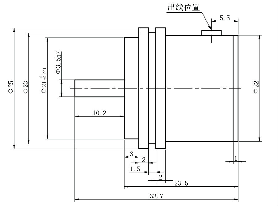
4、外形及安装尺寸

GE21角度位移传感器接线示意图

GE21角度位移传感器外形示意图
5、订货代号:GE21角度位移传感器
注:外形尺寸可根据现场定制。